TALLER DE INSTALACIONES ELECTRICAS
En el siguiente material pueden encontrar las distintas conexiones de trifásica tanto en estrella y en triangulo y su manera de conectarlos.
1. Generalidades
Conexiones Básicas de las
Cargas Trifásicas: conexión triangulo “D” y en estrella “Y”
Las cargas (receptores) trifásicas pueden tener dos tipos de conexión: la denominada conexión en triángulo “D” que está representada en la figura 8, o la conexión en estrella “Y” ejemplificada en la figura 9. Además, las cargas más allá de la conexión pueden ser balanceadas o equilibradas cuando las tres impedancias que la componen son iguales o desequilibradas cuando no se cumple dicha condición.
Figura 9
Figura 8
Si la carga esta balanceada (equilibrada), la conexión neutra puede eliminarse sin que el circuito se vea afectado de ninguna manera; esto es, si: Z1 = Z2 = Z3, entonces IN será cero.
Una carga balanceada (equilibrada) es aquella en la que las impedancias de las fases son iguales en magnitud y en
fase
En la práctica, por ejemplo, si una fábrica tiene solo cargas trifásicas balanceadas, la ausencia del neutro no tendría efecto ya que, idealmente, el sistema siempre estaría balanceado. El costo de la instalación, por lo tanto, sería menor ya que el número de conductores requeridos se reduciría.
Sin embargo, la iluminación y la mayor parte de otros equipos eléctricos usarán sólo uno de los voltajes de fase, y aún si la carga está diseñada para ser balanceada (como debe ser), nunca se
tendrá un balanceo perfecto ya que las luces y otros equipos se encenderán y apagarán aleatoriamente, perturbando la condición de balanceo.El neutro es, por tanto, necesario para llevar la corriente
resultante lejos
de la carga y de
regreso al generador conectado
en Y
Un
sistema trifásico de 4 hilos (tetrafilar)
permitirá la conexión de cargas: a)
Entre fase y neutro b)
Entre fases c)
Cargas trifásicas (como se
indicó
anteriormente) En las figuras
que
siguen pueden verse la
realización de las conexiones indicadas. En la Figura 10 se
indica la conexión de una carga MONOFASICA entre fase y neutro (tensión
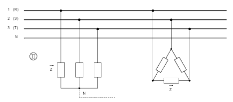
simple) y entre fase y fase (tensión compuesta) En la Figura 11 se ha representado una carga trifásica conectada es ESTRELLA cuyo punto
neutro está unido al conductor neutro del
sistema. Asimismo, se ofrece una conexión trifásica sin unión a neutro a través
de un conjunto
de cargas agrupadas en TRIANGULO
Figura 10
Figura 11